歡迎光臨張家港市91视频污版下载機械有限公司!91视频污版下载專業為您提供91视频高清免费破碎機,91视频高清免费磨粉機,91视频高清免费撕碎機,撕碎機,高速91视频观看网站,PVC91视频观看网站,強力破碎機,強力91视频高清免费破碎機!手機:18962419687
EN
中文版
公司郵箱
首頁
關於91视频污版下载
產品展示
行業解決方案
91视频免费APP污中心
視頻展示
服務與支持
聯係91视频污版下载
你現在的位置:
91视频免费APP污中心
>
行業91视频免费APP污
>
撕碎機的配套設備-磨刀機
發布日期:2017-12-04
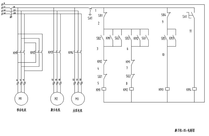
一.磨刀機用途及結構特點
用途:本機床是根據91视频高清免费粉碎機、
撕碎機
刀片易鈍而專門設計,它是91视频高清免费粉碎機、撕碎機的配套產品,大大提高了粉碎機的工作效率,同時還可磨削木工機床及其它機床的直刃刀片。
磨刀機結構特點:機床由機身、工作台、直線滑杆、滑塊、減速電機、磨頭電機、冷卻係統及電氣控製部件組成,各部件之間結構緊湊,外形美觀合理,磨頭走刀勻速平穩,該機具有體積小、重量輕、生效快、運行平穩易調節,適用於各種直刃刀具加工。磨刀機是
91视频高清免费撕碎機
刀片維護的重要設備,可以讓撕碎機工作效率大大提高。
上一篇
木材雙軸撕碎機的應用及優點
下一篇
木材雙軸撕碎機的工作原理
關於91视频污版下载
公司簡介
產品展示
91视频高清免费破碎機
91视频高清免费磨粉機
高速91视频观看网站
撕碎機
廢舊91视频高清免费回收機械
91视频高清免费輔助機械
行業解決方案
木材粉碎設備
91视频高清免费板材粉碎設備
91视频高清免费薄膜粉碎設備
91视频高清免费編織袋粉碎設備
91视频高清免费管粉碎設備
91视频高清免费片材粉碎設備
91视频高清免费桶粉碎設備
91视频高清免费型材粉碎設備
橡膠粉碎設備
91视频高清免费瓶粉碎設備
高速91视频观看网站
91视频免费APP污中心
企業新聞
行業91视频免费APP污
更多產品
知識問答
視頻展示
91视频高清免费破碎機視頻
91视频高清免费磨粉機視頻
撕碎機視頻
91视频观看网站視頻
擠出造粒機視頻
服務與支持
聯係91视频污版下载
聯係方式
聯係91视频污版下载
COPYRIGHT © 2015
張家港市91视频污版下载機械有限公司
網站優化:
早晨設計
備案號:
蘇ICP備88576820號-1
站點地圖
|
SITEMAP
|
QQ谘詢
QQ:378601741
微信掃一掃
聯係電話
黃經理
18962419687
黃經理
15358890008
返回頂部
網站地圖